- 产品详情
- 产品详情概要
-
【产品概述】
本公司生产的压力系列产品采用全不锈钢结构,压力检测敏感元件是采用陶瓷材料经特殊工艺精制成的。激光调校工艺进行了宽温度范围的零点和满程标定,加强了变送器/传感器在工业环境中的长期稳定性。
压力腔体采用304不锈钢加工工艺,整体采用激光焊接工艺,安全无泄漏,变送器/传感器内置强抗射频和电磁干扰、温度自动补偿的数字电路,具有抗干扰能力强,工作范围宽、长期稳定性好等特点。
【产品特点】
● 安装方便、通用性强;
● 高效防雷击,强抗射频和电磁干扰保护;
● 防浪涌和极性反相保护;
● 高弹性、抗磨损、抗冲击、抗振动和耐腐蚀;
● 先进的温度数字补偿功能;【技术参数】
测量介质
水、气、油
量程
5、7、10、15、20、25、32、50Bar(表压),或定制
输出信号
4~20mA,0~10VDC
精度
±1%FS
供电电压
9~30V DC,15~30V DC(0~10VDC输出)
介质温度
-40℃~+85℃
储存温度
-40℃~+125℃
温度补偿
-10℃~+70℃
长期稳定性
≤±0.2%FS/年
允许过载
200%FS
破坏压力
300%FS(≤250bar)
冲击(11mS)
100g
零点温度漂移
±0.02%FS/℃
满程温度温漂
±0.02%FS/℃
压力接口
M20*1.5、G1/4 ;可选配NPT1/4、G1/2
电气连接
大赫斯曼连接器,其它可定制
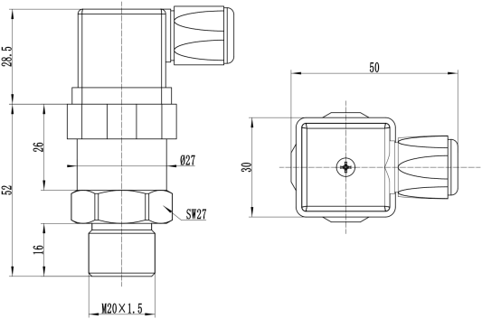
【外形结构】

【产品选型】
-
产品型号: FST800-1000
产品特点:该压力传感器支持水、气、油介质的压力监测,安装方便、通用性强;高效防雷击,强抗射频和电磁干扰保护;防浪涌和极性反相保护;高弹性、抗磨损、抗冲击、抗振动和耐腐蚀;先进的温度数字补偿功能。
应用范围:广泛应用于水泵、液压气压管道、城市智能管网、水处理等行业。
关键词:
FST800-1000 小巧型压力传感器
产品型号: FST800-1000
产品特点:该压力传感器支持水、气、油介质的压力监测,安装方便、通用性强;高效防雷击,强抗射频和电磁干扰保护;防浪涌和极性反相保护;高弹性、抗磨损、抗冲击、抗振动和耐腐蚀;先进的温度数字补偿功能。
应用范围:广泛应用于水泵、液压气压管道、城市智能管网、水处理等行业。
相关视频介绍
菲尔斯特传感器
菲尔斯特传感器
菲尔斯特传感器
为什么选择菲尔斯特
60余年研发和制造经验
我们公司前身是长沙红旗仪器厂,始创于1965年,是我国最早的一批传感器企业之一。
400余款产品
我们产品主要包括工业传感器,智能控制仪表和物联网传感器,涉及近30余个行业应用。
15余项产品认证
我们产品已获得CPA、CQC、CE、RoHS、Ex、ATEX、MA等多项国内外认证。
服务于全球市场
我们公司每年生产500,000只传感器产品,服务于全球100多个国家。
专业工程师选型指导
我们工程师均拥有5年以上行业经验,可为您提供一对一专业选型指导,节省您的时间和成本。
提供OEM/ODM服务
我们具备较强的传感技术构架和开发应用能力,可提供定制化、个性化服务,满足您差异化需求。
相关资质证书
相关常见问题
4-20mA输出,24V供电的压力传感器的功耗是多少?
菲尔斯特压力及温度传感器产品,二线制4-20mA输出功耗在0.5W以下。
数字压力传感器MODBUS客户可以自己标定吗?
一般不提供给客户自行标定,如果客户有标准压力源,可提供软件给客户自行标定。
压力传感器响应频率最高可达多少?
压力模拟信号输出频响为3.2KHz。
压力传感器常用的电气接口有哪些?
压力传感器常用的电气接口有直接出线、Packard连接器、M12连接器、赫斯曼。
压力传感器螺纹标准的是哪些?
压力传感器螺纹标准有M20*1.5 、G1/4、 NPT1/4。
压力传感器常用的信号输出是哪些?
压力传感器常用的信号输出有mV、4-20mA、0-5VDC、0-10VDC、RS485。
索取报价
请留下您的联系方式,可获得专业工程师一对一产品选型指导及报价服务。
























